Ferdinand Keil's

electronic notes

Okt 08, 2009

Humidor Lüfter - Update

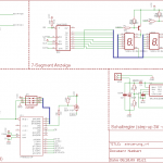
Bei der Schaltung sind mir noch ein paar Fehler aufgefallen, außerdem fand ich das Platinenlayout letztendlich doch nicht schön.

Die Änderungen an der Schaltung:

  • der MOSFET pull-up wurde korrekt an VCC angeschlossen
  • das Schieberegister hängt jetzt an normalen Ports
  • die Anschlüsse DISP0-1 und KEYPAD0-1 wurden umgelegt
  • die LED-Anzeigen haben keinen Vorwiderstand mehr
  • am Schieberegister liegt OE nicht mehr auf LOW sondern an einem Port (inkl. Pullup)

Die meisten Änderungen waren für ein leichteres Routing. Ich konnte die Schaltung so auf einer einseitigen Platine mit 2 Brücken unterbringen. Auch die Größte der Platine ist geschrumpft.

Der Vorwiderstand für die LEDs war letztlich kein großer Verlust. Hat nur Platz weggenommen und ist nicht schön zu löten. Stattdessen kann die Anzeige jetzt per Output Enable Port und PWM gedimmt werden. Leider hat der ATtiny keinen ADC, sonst könnte ich die Pulslänge noch an die Batteriespannung anpassen und so versuchen die Helligkeit konstant zu halten. Ist auf jeden Fall eine Idee für eine spätere Version.

Auch der Verzicht auf die Unterstützung durch den eingebauten SPI Port dürfte kein Problem bereiten. Der Prozessor wird bei der angedachten Funktion kaum zu tun haben.